Механический фильтр мешочного типа BFH-3 РЕЗЬБА 1"
Фильтр механический высокой производительности мешочного типа устойчив к высокому давлению (150psi). Осуществляет качественную очистку воды от механических примесей (ржавчины, ила, песка и прочих механических фракций). Применяются в системах тепло и водоснабжения, а также в установках водоподготовки на разного рода промышленных предприятиях.
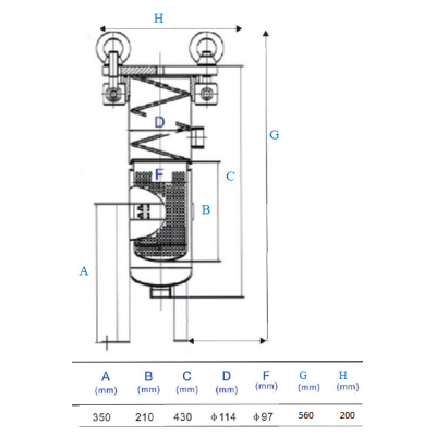
Входной патрубок расположен горизонтально с боку корпуса, а выходной — в нижней части фильтра. Внутри мешочного фильтра BFH-3 располагается съемная корзина из н/ж сетки, которая одновременно служит и фильтрующим элементом и поддерживающей основой для мешка. В корзину вставляется мешок необходимой тонкости фильтрации. Степень загрязнения фильтра можно контролировать с помощью манометров установленных до и после мешочного фильтра.
Соединение: труба (резьбовое подключение к водопроводу) 1". Регулируемые опоры (ножки) применяются для регулировки высоты конструкции
Технические характеристики:
Производительность - 6 м3 / ч
Присоединительные размеры, дюйм – 1";
Рабочая температура воды, °С 0-75;
Рабочее давление , атм – 0-10 бар;
Материал корпуса фильтра - нержавеющая сталь 304 (High сlass) имеет матовое покрытие;
Материал фильтрующего элемента, корзины — нержавеющая сталь;
Материал фильтрующего элемента, мешка — высокопрочный полипропилен;
Степень фильтрации, мкм – 5/25/50/100





